防爆箱订购热线:15057512139
上一张 下一张
当前位置:首页>新闻资讯>公司新闻

电缆布线和钢管布线设计环境设定

发布时间:2021-07-06 浏览次数:1235
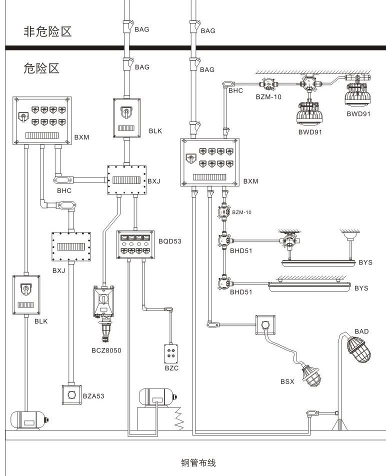
相关的布线的示意图



上述两图就是电缆布线和钢管布线的示意图,我想大家看了后应该大致明白了如何去安装与相应的注意事项。接下来 我给你们讲一下 示意图中 相应的电器都是些什么电器,先简单的概况一下,大家更能进一步相应的了解。


示意图中型号都表示什么样的产品
BAD:粉尘防爆灯 BWD91:粉尘防爆节能无极灯 BZM-10:防爆照明开关 BJX:防爆接线箱 BHD51:防爆接线盒 BLK:防爆开关 BXM:防爆配电箱 BZC:防爆操作箱 BQD53:防爆仪表箱 BYS:防爆防腐全塑荧光灯 BCZ8050:粉尘防爆防腐插接装置 BSX:防爆灯 BAG:防爆隔离密封盒 BHC:防爆穿线盒 BZA53:防爆控制按钮开关


以上就是两示意图中所有型号表示的相应电器!


我想朋友们看了两张示意图后,应该能看出来,钢管布线是不是比电缆布线多一个防爆隔离密封盒还有就是防爆穿线盒,还有就是防爆控制按扭开关。

新一篇:江西经济开发区消防区域防爆配电箱
旧一篇:防爆柜特点